Giải Pháp Toàn Diện Cho Bảo Trì, Sửa Chữa Thiết Bị Dược Phẩm, Thực Phẩm

11/10/2024

Cuộc cách mạng công nghiệp 4.0 đã và đang làm thay đổi sâu sắc ngành sản xuất. Máy móc, thiết bị ngày càng hiện đại và phức tạp đòi hỏi các giải pháp bảo trì, bảo dưỡng chuyên nghiệp. Với kinh nghiệm dày dặn và đội ngũ kỹ thuật lành nghề, Thành Ý tự hào là đơn vị tiên phong trong việc cung cấp các dịch vụ bảo trì, bảo dưỡng, sửa chữa máy móc thiết bị, góp phần nâng cao hiệu suất và độ tin cậy của hệ thống sản xuất.

Xem chi tiết
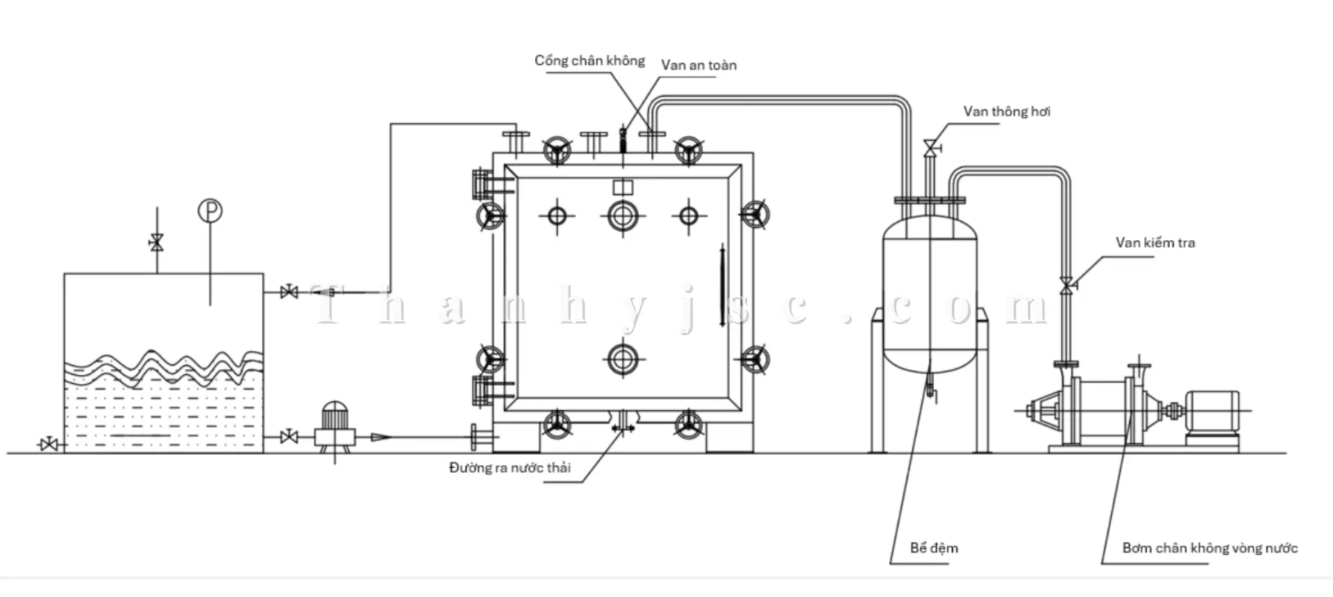
Máy Sấy Chân Không Là Gì?

11/10/2024

Máy sấy chân không là một công cụ vô cùng hữu ích trong nhiều ngành công nghiệp như: dược phẩm, thực phẩm, ý tế, hóa chất; nhờ khả năng giữ chất lượng sản phẩm sau khi sấy và tốc độ sấy nhanh máy sấy chân không là một lựa chọn tuyệt vời cho nhiều nhà máy. Trong bài viết này, hãy cùng Thành Ý tìm hiểu Máy Sấy Chân Không Là Gì nhé!

Xem chi tiết
Ứng Dụng Của Máy Sấy Chân Không

11/10/2024

Máy sấy chân không là một công cụ vô cùng hữu ích trong nhiều ngành công nghiệp như: dược phẩm, thực phẩm, ý tế, hóa chất; nhờ khả năng giữ chất lượng sản phẩm sau khi sấy và tốc độ sấy nhanh máy sấy chân không là một lựa chọn tuyệt vời cho nhiều nhà máy. Trong bài viết này, hãy cùng Thành Ý tìm hiểu Về Ứng Dụng Của Máy Sấy Chân Không nhé!

Xem chi tiết
Ưu Điểm Của Máy Sấy Chân Không

11/10/2024

Máy sấy chân không là một công cụ vô cùng hữu ích trong nhiều ngành công nghiệp như: dược phẩm, thực phẩm, ý tế, hóa chất; nhờ khả năng giữ chất lượng sản phẩm sau khi sấy và tốc độ sấy nhanh máy sấy chân không là một lựa chọn tuyệt vời cho nhiều nhà máy. Trong bài viết này, hãy cùng Thành Ý tìm hiểu về Ưu Điểm Của Máy Sấy Chân Không nhé!

Xem chi tiết
Cấu Tạo Và Nguyên Lý Hoạt Động Của Máy Sấy Chân Không

11/10/2024

Máy sấy chân không là một công cụ vô cùng hữu ích trong nhiều ngành công nghiệp như: dược phẩm, thực phẩm, ý tế, hóa chất; nhờ khả năng giữ chất lượng sản phẩm sau khi sấy và tốc độ sấy nhanh máy sấy chân không là một lựa chọn tuyệt vời cho nhiều nhà máy. Trong bài viết này, hãy cùng Thành Ý tìm hiểu Cấu Tạo Và Nguyên Lý Hoạt Động Của Máy Sấy Chân Không nhé!

Xem chi tiết
So Sánh Các Phương Pháp Sấy Tạo Bột

10/10/2024

Sấy tạo bột là một công đoạn không thể thiếu trong nhiều ngành công nghiệp, từ thực phẩm, dược phẩm đến hóa chất. Việc lựa chọn phương pháp sấy phù hợp sẽ trực tiếp ảnh hưởng đến chất lượng sản phẩm cuối cùng, hiệu suất sản xuất và chi phí. Bài viết này, Thành Ý sẽ so sánh các phương pháp sấy phổ biến hiện nay, giúp bạn đưa ra quyết định tối ưu cho quy trình sản xuất của mình!

Xem chi tiết
Cấu Tạo Và Nguyên Lý Của Máy Sấy Rung

10/10/2024

Máy sấy rung được xem là giải pháp tối ưu cho việc làm khô các sản phẩm trong nhiều ngành công nghiệp. Nhờ cơ chế rung lắc liên tục. Máy sấy rung giúp loại bỏ nhanh chóng và đồng đều độ ẩm của vật liệu sấy, đảm bảo chất lượng sản phẩm cuối cùng. Máy sấy rung là thiết bị được sử dụng rộng rãi trong nhiều lĩnh vực khác nhau như dược phẩm, thực phẩm, nông nghiệp, hóa chất,.... Trong bài viết này, hãy cùng Thành Ý tìm hiểu Cấu Tạo Và Nguyên Lý Của Máy Sấy Rung nhé!

Xem chi tiết
Máy Sấy Băng Tải Chân Không Là Gì?

08/10/2024

Máy sấy băng tải chân không là một giải pháp tối ưu cho việc sấy khô các loại chất lỏng, cao đặc và các sản phẩm nhạy cảm với nhiệt. Với những ưu điểm vượt trội, máy sấy này đang được ứng dụng rộng rãi trong nhiều ngành công nghiệp, góp phần nâng cao chất lượng sản phẩm và hiệu quả sản xuất. Trong bài viết này, hãy cùng Thành Ý tìm hiểu Máy Sấy Băng Tải Chân Không Là Gì nhé!

Xem chi tiết
Tìm Hiểu Về Máy Sấy Vi Sóng

07/10/2024

Máy sấy vi sóng là một thiết bị công nghệ hiện đại mang lại hiệu quả vượt trội trong việc loại bỏ độ ẩm của nhiều loại sản phẩm. Với khả năng làm khô nhanh chóng và đồng đều, máy sấy vi sóng không chỉ tiết kiệm thời gian và năng lượng mà còn giúp bảo tồn hương vị và chất dinh dưỡng của thực phẩm. Ứng dụng đa dạng trong ngành thực phẩm, dược phẩm, nông nghiệp và nhiều lĩnh vực khác, máy sấy vi sóng đang trở thành lựa chọn phổ biến cho cả người tiêu dùng và doanh nghiệp. Trong bài viết này, hãy cùng Thành Ý Tìm Hiểu Về Máy Sấy Vi Sóng nhé!

Xem chi tiết
Tủ Sấy Nhiệt Là Gì?

01/10/2024

Tủ sấy nhiệt là thiết bị dùng để tách ẩm ra khỏi vật liệu sấy, giúp sản phẩm sấy đạt được độ khô mong muốn (% ẩm thấp). Sản phẩm sấy có rất nhiều ưu điểm như: dễ dàng bảo quản; sản phẩm sấy nhẹ, thuận tiện cho quá trình vận chuyển, tăng giá trị cảm quan của các sản phẩm thực phẩm và tạo cho sản phẩm có các tính chất đặc trưng (sấy hạt dẻ, xúc xích, rau củ...). Tủ sấy nhiệt là thiết bị được sử dụng rộng rãi trong nhiều lĩnh vực khác nhau như dược phẩm, thực phẩm, nông nghiệp, y tế, hóa chất,.... Trong bài viết này, hãy cùng Thành Ý tìm hiểu Tủ Sấy Nhiệt Là Gì nhé!

Xem chi tiết
Ứng Dụng Của Tủ Sấy Nhiệt

01/10/2024

Tủ sấy nhiệt là thiết bị dùng để tách ẩm ra khỏi vật liệu sấy, giúp sản phẩm sấy đạt được độ khô mong muốn (% ẩm thấp). Sản phẩm sấy có rất nhiều ưu điểm như: dễ dàng bảo quản; sản phẩm sấy nhẹ, thuận tiện cho quá trình vận chuyển, tăng giá trị cảm quan của các sản phẩm thực phẩm và tạo cho sản phẩm có các tính chất đặc trưng (sấy hạt dẻ, xúc xích, rau củ...). Tủ sấy nhiệt là thiết bị được sử dụng rộng rãi trong nhiều lĩnh vực khác nhau như dược phẩm, thực phẩm, nông nghiệp, y tế, hóa chất,.... Trong bài viết này, hãy cùng Thành Ý tìm hiểu về Ứng Dụng Của Tủ Sấy Nhiệt nhé!

Xem chi tiết
Cấu Tạo Và Nguyên Lý Hoạt Động Của Tủ Sấy Nhiệt

30/09/2024

Tủ sấy nhiệt là thiết bị dùng để tách ẩm ra khỏi vật liệu sấy, giúp sản phẩm sấy đạt được độ khô mong muốn (% ẩm thấp). Sản phẩm sấy có rất nhiều ưu điểm như: dễ dàng bảo quản; sản phẩm sấy nhẹ, thuận tiện cho quá trình vận chuyển, tăng giá trị cảm quan của các sản phẩm thực phẩm và tạo cho sản phẩm có các tính chất đặc trưng (sấy hạt dẻ, xúc xích, rau củ...). Tủ sấy nhiệt là thiết bị được sử dụng rộng rãi trong nhiều lĩnh vực khác nhau như dược phẩm, thực phẩm, nông nghiệp, y tế, hóa chất,.... Trong bài viết này, hãy cùng Thành Ý tìm hiểu về Cấu Tạo Và Nguyên Lý Hoạt Động Của Tủ Sấy Nhiệt nhé!

Xem chi tiết
Tìm kiếm
Danh mục
Kết nối
Liên hệ Hotline: 0382.386.179 wiget Chat Zalo Chát Zalo cùng chúng tôi Lên đầu trang